Duda al montar carburador

Problemas, tutoriales, averías de vuestro coche y dudas mecánicas.
Responder
Avatar de Usuario
Berni
Mensajes: 38
Registrado: 22 Jul 2016 15:01
Carrocería: Berlina
Versión: SLE
Año: 1973

Duda al montar carburador

Mensaje: # 76996Mensaje Berni
20 Oct 2018 17:52

Hola. Por fin me decidí a hacer mi primera limpieza y ajuste de carburador. Zotal y manuales varios que fui reuniendo. Y el kit de reparación, claro. Es el Weber Bressel 32 DIRE de un 12S del 73.

Imagen

El caso es que a la hora de montarlo me encuentro en el kit con 3 arandelas que al desmontar el carburador no he visto.

Imagen

Imagen

La pequeña parece una diminuta junta tórica de goma. Las dos más grandes son de plástico, son iguales pero en la foto hay una "del derecho" y otra "del revés" para que se vea que son acanaladas.

Alguien sabe si sirven para algo o dónde van? Me da cosa montar el carburador con la duda!

Gracias de antemano a los expertos.

Avatar de Usuario
Retrogarage
Socio 2020
Mensajes: 71
Registrado: 05 Ago 2015 00:12
Carrocería: Berlina
Versión: SLE
Año: 1976

Re: Duda al montar carburador

Mensaje: # 76998Mensaje Retrogarage
20 Oct 2018 20:18

Hola Berni,

Yo también he empezado a desmontar este fin de semana el carburador de mi R12 S (Weber 32 DIRE), así que en los próximos días me meteré de lleno con él para desmontarlo y limpiarlo.

Al igual que tú en estos días he comprado del kit de reparación y me vienen unas arandelas iguales a las que has fotografiado. Aún no sé donde van colocadas, y al ver tu post me ha surgido la misma duda, así que en el momento en que averigüe cuál es su finalidad y dónde van alojadas te informo. O si lo averiguas tú antes, te agradecería que lo compartieses por el foro.

Te agradecería igualmente, si pudieras poner alguna de la información que has recopilado del carburador, a mí me vendría de maravilla.

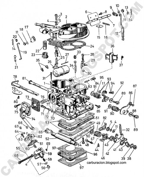
Y aunque no sea el mismo, te paso el despiece del Weber 32 DIR (Renault 12 TS) por si te sirve de ayuda a la hora de volver a montarlo.

Saludos!
Adjuntos
despiece-weber-32-dir-21-renault-12-ts.jpg
descripcion-despiece-weber-32-dir-21-renault-12-ts.jpg
reglaje-weber-32-dir-21-renault-12-ts.jpg
reglaje-weber-32-dir-21-renault-12-ts.jpg (51.46 KiB) Visto 4710 veces

Avatar de Usuario
Berni
Mensajes: 38
Registrado: 22 Jul 2016 15:01
Carrocería: Berlina
Versión: SLE
Año: 1973

Re: Duda al montar carburador

Mensaje: # 77000Mensaje Berni
21 Oct 2018 00:21

Hola, Retrogarage. La documentación que tengo es:
- la del servicio de asistencia técnica de Bessel S.A. en España;
- un artículo de la revista Automecanica num. 65, "Desmontaje, limpieza y ajuste de carburadores Bressel";
- el PR 928 (1970-1974), con el despiece del tipo 1260, que corresponde al R12 S.

Los dos primeros son un poco largos, si me das una dirección de correo por mensaje privado te los envío en pdf (ni que decir tiene que lo mismo vale para cualquier miembro del foro que esté interesado).

En el PR, para el tipo 1260 hay estas 3 páginas, donde no veo ni rastro de las dichosas arandelas:

Imagen

Imagen

Imagen

Esta última página me hizo gracia, porque lleva indicados los pasos de los surtidores, tubos de emulsión, inyector... Resulta que son exactamente los que indicaron en la revista Automecánica núm. 36, de agosto del 72 (el artículo se titulaba "Cómo se soluciona la carburación del R12 S"), cuando los carburadores de los S todavía estaban dando problemas, con unos pasos distintos. Parece que los de Automecánica les hicieron el trabajo a los de la FASA! Por cierto, al final del artículo se refieren a un problema no resuelto, copio literalmente: "el constante calado del motor y tirones por ahogo" cuando se calienta demasiado el carburador, por ejemplo si te encuentras en verano en un atasco. Cosa que me resulta familiar. Prometían dar la solución en un próximo número. Si alguien tiene ese artículo, sería muy de agradecer que lo compartiera, o diera la referencia. Yo lo ando buscando...

Avatar de Usuario
Berni
Mensajes: 38
Registrado: 22 Jul 2016 15:01
Carrocería: Berlina
Versión: SLE
Año: 1973

Re: Duda al montar carburador

Mensaje: # 77001Mensaje Berni
21 Oct 2018 00:40

Por si te interesa, el artículo de Autmecánica lo escaneó y colgó entero en el foro el amigo R Siete7:

http://www.clubr12espana.es/foro/viewto ... t=surtidor

Saludos,

Avatar de Usuario
Retrogarage
Socio 2020
Mensajes: 71
Registrado: 05 Ago 2015 00:12
Carrocería: Berlina
Versión: SLE
Año: 1976

Re: Duda al montar carburador

Mensaje: # 77030Mensaje Retrogarage
22 Oct 2018 12:33

Hola Berni, facilítame por mensaje privado tu dirección de email para ponerme en contacto contigo. Tengo problemas para enviarte un MP a través del foro del club.

Saludos.

Avatar de Usuario
Vin Electric
Socio 2021
Mensajes: 6611
Registrado: 28 Dic 2009 00:13
Carrocería: Berlina
Versión: Gordini
Año: 1972
Ubicación: A Laracha (A Coruña)
Contactar:

Re: Duda al montar carburador

Mensaje: # 77040Mensaje Vin Electric
23 Oct 2018 08:01

Chicos, muchas gracias por compartir estos documentos e información a través del foro, es buena información que ayudará a mas gente.

En cuanto a lo de las arandelas, a ver si se pasan por aquí Pablo55 y Felix (entre otros) que seguro os sacarán de dudas
El 124 mola si le quitas el 4, o si es 100% eléctrico



________________
(___)==◇==(___)
\\=ELECTRIC=//
[__] ------------ [__]

felixcalderero26
Mensajes: 97
Registrado: 11 May 2016 21:40

Re: Duda al montar carburador

Mensaje: # 77048Mensaje felixcalderero26
23 Oct 2018 16:53

Ola Berni, esas juntas que tienes dudas me parece que son los retenes de los ejes de las mariposas que lleban uno cada eje por el lado de la leba del acelerador lo raro es que bengan en ese kit por que esos solamente los ponen estos que reparan carburadores cuando ponen ejes nuevos, mide el interior haber lo que mide porque en la foto no se pude apreciar y comprueba si tiene la misma medida que el eje si lo tienes des montado si no esta desmontado y los ejes no tienen hogura monta el carburador que por hay no bas a tener ningun problema, ademas si el carburador reglaba bien el CO es que no aspira aire por los ejes lo cual esta correcto

Responder